MDT Dimmaktor 8 Fach: Your Guide

T.Zhik 88 views
MDT Dimmaktor 8 Fach: Your Guide

MDT Dimmaktor 8 Fach: Your Ultimate Guide

Hey guys! Today, we’re diving deep into something super specific but incredibly useful for a lot of you out there: the MDT Dimmaktor 8 Fach . If you’ve been looking for a reliable and efficient way to manage your dimmable lights, this is the component you need to know about. We’re going to break down exactly what it is, why it’s awesome, and how it can revolutionize your home or building’s lighting control system. Get ready to become an expert on this little powerhouse!

What Exactly is the MDT Dimmaktor 8 Fach?

Alright, so what is this thing, the MDT Dimmaktor 8 Fach ? Let’s break it down. “MDT” usually refers to the manufacturer, a company known for its high-quality smart home components, especially within the KNX ecosystem. “Dimmaktor” tells us its primary function: it’s a dimmer actuator. Basically, it’s a device that controls the brightness of your lights. And the “8 Fach”? That means it has eight channels. So, in simple terms, the MDT Dimmaktor 8 Fach is an 8-channel dimmer actuator for KNX smart home systems. Why is this a big deal? Because controlling lights is one of the most fundamental and impactful aspects of smart home automation. Imagine walking into a room and the lights automatically adjust to your preferred brightness based on the time of day or your activity. Or being able to create mood lighting for movie nights with a single command. That’s where a device like this shines. It allows for granular control over eight separate lighting circuits, meaning you can dim each one independently. This isn’t just about turning lights on and off; it’s about shaping the light in your environment. Whether you’re an installer looking for a robust solution or a homeowner aiming for the ultimate in comfort and energy efficiency, understanding this device is key. It’s the brain behind those smooth, seamless lighting transitions that make a smart home truly feel smart. The 8-channel capability is particularly valuable for larger rooms, complex lighting designs, or even for controlling different zones within a single space. Think about a living room with accent lighting, main overhead lights, and task lighting – each could be controlled independently by this single unit. The flexibility it offers is pretty mind-blowing, allowing for a level of customization that was previously unimaginable. We’re talking about turning your house into a responsive, adaptive environment, and the MDT Dimmaktor 8 Fach is a central piece of that puzzle. It’s designed to integrate seamlessly with other KNX devices, ensuring a cohesive and powerful smart home network. So, yeah, it’s more than just a dimmer; it’s an integral part of creating sophisticated and personalized living spaces.

The Magic of Dimming: Why You Need It

Now, let’s talk about why dimming is so awesome, guys. It’s not just a fancy feature; it’s a game-changer for comfort, ambiance, and even saving energy. Think about it: when you first walk into a room, maybe you just want a little light to see where you’re going. You don’t need full blast brightness. The MDT Dimmaktor 8 Fach lets you set the perfect low-light level. Later, if you’re reading or doing some detailed work, you can ramp up the brightness to exactly what you need. This isn’t just about convenience; it’s about creating the perfect atmosphere . Want a cozy vibe for a romantic dinner? Dim those lights way down low. Need bright, focused light for studying? Crank it up! This level of control over your environment significantly impacts your mood and productivity. Beyond ambiance, dimming is a massive win for energy efficiency . By reducing the brightness of your lights, you’re directly reducing the amount of electricity they consume. Over time, this can lead to noticeable savings on your energy bills. Plus, most modern dimmable LEDs have a much longer lifespan when they are dimmed, meaning you’ll also save money on replacement bulbs. The MDT Dimmaktor 8 Fach, by enabling precise control over eight channels, maximizes these benefits. You can program scenes – like a “Movie Night” scene that dims specific lights and leaves others off, or a “Wake Up” scene that gradually brightens your bedroom lights to simulate a sunrise. This intelligent control prevents energy waste by ensuring lights are only as bright as they need to be, when they need to be. It’s about being smart with your resources. The versatility extends to security too. You can program lights to turn on and off randomly when you’re away, making it look like someone’s home. Or, use motion sensors to trigger specific lighting levels. The MDT Dimmaktor 8 Fach integrates all this possibility into one compact, powerful unit. It’s about making your home not just more comfortable and energy-efficient, but also more responsive and secure. The ability to fine-tune lighting, channel by channel, opens up a world of possibilities for personalization and optimization that simply isn’t possible with standard on/off switches. It’s a fundamental upgrade to how you interact with your living or working space.

Key Features and Benefits of the MDT Dimmaktor 8 Fach

So, what makes the MDT Dimmaktor 8 Fach stand out from the crowd? Let’s get into the nitty-gritty of its features and why they translate into serious benefits for you. First off, we have 8 independent dimming channels . As we’ve touched upon, this is huge. It means you can control eight different lighting groups or fixtures separately. This offers unparalleled flexibility for creating complex lighting scenes and managing different areas of a room or even different rooms entirely from a single device. Need to dim the spotlights in the living room, the pendant light over the dining table, and the accent lighting in the hallway? No problem, the 8-channel setup has you covered. Another major benefit is its compatibility with KNX . If you’re building or upgrading a smart home based on the KNX standard, this device is a perfect fit. KNX is a globally recognized standard for home and building automation, ensuring interoperability with a vast range of other devices. This means your MDT Dimmaktor 8 Fach can communicate seamlessly with your thermostats, blinds, security systems, and more, creating a truly integrated smart home experience. Think about setting a “Good Morning” scene where the blinds slowly open, the heating adjusts, and your bedroom lights gently brighten – all orchestrated by your KNX system. The wide dimming range is another critical feature. The MDT Dimmaktor 8 Fach supports a broad spectrum of dimmable loads, often including LED, incandescent, halogen, and electronic transformers. This versatility means you’re not limited by your existing light fixtures. You can dim a wide variety of bulbs, from traditional ones to the latest energy-saving LEDs, without issues. Plus, the precise dimming control ensures smooth transitions, preventing that jarring on/off effect and providing a much more pleasant user experience. We’re talking about seamless fades and subtle adjustments that really elevate the feel of a space. Built-in safety features are also paramount. Devices like these typically include overload protection, short-circuit protection, and thermal protection. This safeguards your lighting circuits and the device itself, giving you peace of mind. You won’t have to worry about unexpected power surges frying your expensive lights or the actuator. Finally, the ease of integration and programming through the KNX software (ETS) is a significant plus for installers and advanced users. While it requires some technical know-how, the KNX platform is well-documented, and MDT devices are known for their reliability and straightforward integration. This means less time troubleshooting and more time enjoying your advanced lighting control. So, in a nutshell, you get flexibility, compatibility, efficiency, safety, and a powerful platform for creating sophisticated lighting environments. It’s a robust solution that brings professional-level lighting control into your smart home.

Installation and Setup Considerations

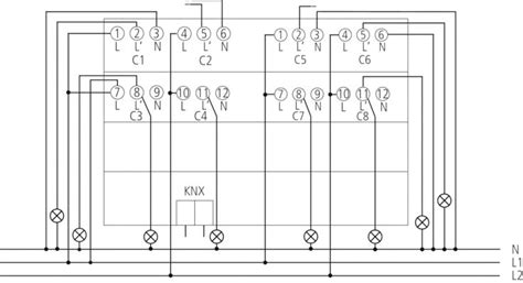
Alright, let’s talk about getting this MDT Dimmaktor 8 Fach up and running. Installation isn’t exactly plug-and-play like your average USB stick, guys. It’s a component within a KNX system, so it requires a bit more technical know-how. If you’re not comfortable working with electrical wiring and smart home protocols, it’s highly recommended to hire a certified KNX installer . Messing with mains voltage can be dangerous, and incorrect installation can damage the device or your entire system. However, if you’re an experienced DIYer or an installer yourself, here’s what you generally need to consider. Mounting is typically done on a DIN rail within an electrical panel or distribution board. Make sure you have adequate space and proper ventilation, as these devices can generate some heat during operation. Wiring is the critical part. You’ll need to connect the device to the KNX bus line for communication and then wire your actual light fixtures to the output channels of the Dimmaktor. Pay close attention to the manufacturer’s wiring diagrams for the specific model you have. Incorrect wiring is the most common cause of issues. Power supply is also crucial. The KNX bus needs its own power supply, and the Dimmaktor itself might have specific power requirements. Ensure these are met consistently. Configuration using ETS (Engineering Tool Software) is where the magic happens after the physical installation. This is the software used to program all KNX devices. You’ll need to download the device’s product database into ETS. Then, you’ll assign addresses to the Dimmaktor, configure the function of each of the 8 channels (e.g., setting dimming type, minimum/maximum brightness levels), and define how it interacts with other KNX devices. This is where you set up your scenes, link dimming levels to sensors, and program the behavior of each channel. Think about creating logical groups for your lights – maybe all the downlights in the kitchen are Channel 1, the under-cabinet lights are Channel 2, and so on. You’ll also configure parameters like fade times, which determine how quickly the lights change brightness. For example, a “sunrise” scene might have a very slow fade time, while a “scene change” might be quicker. It’s also important to consider the type of lights you’re connecting. While the MDT Dimmaktor 8 Fach is versatile, always check the specifications for compatibility with LED, CFL, halogen, incandescent, and whether it works with trailing-edge or leading-edge dimming, or both. Using incompatible bulbs can lead to flickering, buzzing, or premature failure. Finally, testing is essential. After configuration, meticulously test each channel and each programmed scene to ensure everything works as expected. Cycle through different brightness levels, test scene activations, and verify that all safety functions are operational. A proper installation and configuration ensure the longevity and optimal performance of your MDT Dimmaktor 8 Fach, making your smart lighting dreams a reality.

Conclusion: Elevate Your Lighting with MDT

So there you have it, folks! The MDT Dimmaktor 8 Fach is a seriously impressive piece of kit for anyone looking to take their smart home lighting to the next level. We’ve unpacked what it is – an 8-channel KNX dimmer actuator – and delved into the undeniable benefits of dimming: enhanced ambiance, improved comfort, and significant energy savings. We’ve also highlighted its key features, like the 8 independent channels, KNX compatibility, broad dimming range, and built-in safety mechanisms, which all add up to a robust and flexible solution. While installation and setup require a bit of technical expertise, the payoff in terms of sophisticated, personalized lighting control is absolutely worth it. Whether you’re building a new smart home or upgrading an existing one, integrating the MDT Dimmaktor 8 Fach can dramatically transform your living or working space. It allows for intricate scene creation, dynamic mood setting, and intelligent energy management, all controlled seamlessly within the powerful KNX ecosystem. If you’re serious about smart lighting, this device is a cornerstone component that delivers on its promise of quality and performance. Don’t just light your home; design your light with precision and intelligence. The MDT Dimmaktor 8 Fach is your ticket to a brighter, more comfortable, and more efficient future. Get ready to experience your home in a whole new light!