Forward Reverse Motor Control: A Comprehensive Guide

T.Zhik 28 views
Forward Reverse Motor Control: A Comprehensive Guide

Forward Reverse Motor Control: A Comprehensive Guide

Hey guys! Ever wondered how those cool machines and automated systems manage to move things both forward and backward? Well, a big part of that magic lies in forward reverse motor control ! This guide will break down everything you need to know about it, from the basic principles to real-world applications. So, buckle up and let’s dive in!

Understanding the Basics of Forward Reverse Motor Control

At its core, forward reverse motor control is all about managing the direction in which an electric motor spins. Motors, especially those used in industrial applications, often need to rotate in both directions to perform various tasks. Think about a conveyor belt that needs to move items back and forth, or a robotic arm that needs to reach in different directions. That’s where this control system comes into play.

To achieve this directional control, we need to be able to change the polarity of the voltage applied to the motor. For a DC motor, this means reversing the connections to the armature or the field winding. For AC motors, particularly three-phase induction motors, we swap any two of the three phases. This seemingly simple switcheroo is what makes the motor change its rotational direction. Sounds straightforward, right? But there’s more to it than just flipping a switch!

Implementing forward reverse motor control typically involves using a combination of switches, relays, or electronic components like transistors and motor drives. The specific components used depend on the motor’s type, size, and the application’s requirements. For instance, a small DC motor in a toy might use a simple double-pole double-throw (DPDT) switch, while a large AC motor in an industrial setting would require a sophisticated motor starter with overload protection and interlocking features.

One crucial aspect of this control is ensuring safety and preventing damage to the motor and connected equipment. Imagine if you abruptly switched the motor’s direction while it’s running at full speed! That could lead to a mechanical disaster. Therefore, control circuits often include features like interlocking mechanisms and time delays to prevent instantaneous reversals and protect the motor from excessive current draw.

Moreover, understanding the load characteristics is essential. The load’s inertia, friction, and required acceleration/deceleration rates influence the design of the control system. For heavy loads, a soft start mechanism might be necessary to avoid sudden jolts and reduce stress on the motor and mechanical components. Similarly, braking mechanisms can be integrated to quickly stop the motor and prevent overshooting the desired position.

In summary, forward reverse motor control is a fundamental concept in electrical engineering and automation. It involves intelligently managing the electrical supply to a motor to achieve bidirectional rotation while ensuring safety, reliability, and optimal performance. By understanding the principles and components involved, you can design and implement effective control systems for a wide range of applications.

Key Components Used in Forward Reverse Motor Control

Alright, let’s get into the nitty-gritty of the essential components that make forward reverse motor control possible. We’re talking about the building blocks that allow us to switch directions safely and efficiently. Here’s a breakdown:

  • Contactors and Relays: These are the workhorses of motor control. Contactors are heavy-duty switches designed to handle the high currents associated with motors. Relays, on the other hand, are smaller and used for controlling lower-current circuits. In a forward-reverse setup, you’ll typically find two contactors (one for forward and one for reverse) that are electrically interlocked to prevent them from being activated simultaneously. This interlock is crucial to avoid a short circuit, which could happen if both contactors were engaged at the same time, effectively creating a direct path between the power lines.

  • Overload Relays: These are your motor’s best friend. Overload relays protect the motor from excessive current draw, which can cause overheating and permanent damage. They monitor the motor’s current and, if it exceeds a preset limit, trip the circuit, cutting off power to the motor. This is especially important in forward reverse motor control because frequent starts and stops, or reversals under load, can significantly increase the motor’s current draw.

  • Push Buttons and Selector Switches: These are the user interface components that allow you to initiate the forward, reverse, and stop commands. Push buttons are momentary switches that require continuous pressure to maintain contact, while selector switches can be set to a specific position (e.g., forward, reverse, or off) and remain in that position until changed. These switches are wired into the control circuit to activate the appropriate contactors or relays.

  • Limit Switches: These are position-sensing devices that automatically stop the motor when it reaches a certain point. For example, in a gate opener system, limit switches would prevent the gate from overtraveling and crashing into the stops. In forward reverse motor control , limit switches can be used to define the range of motion and ensure that the motor doesn’t drive the connected equipment beyond its intended limits.

  • Timers: Timers are used to introduce time delays into the control circuit. This can be useful for preventing rapid reversals, which can put stress on the motor and mechanical components. For example, a timer could be used to ensure that the motor comes to a complete stop before the reverse contactor is engaged.

  • Motor Drives (Variable Frequency Drives - VFDs): In more advanced systems, VFDs are used to control the motor’s speed and direction. VFDs offer precise control over the motor’s voltage and frequency, allowing for smooth acceleration and deceleration, as well as energy savings. They also often include built-in protection features like overload protection and short-circuit protection.

  • PLCs (Programmable Logic Controllers): For complex automation systems, PLCs are used to manage the forward reverse motor control logic. PLCs are essentially small computers that can be programmed to control a wide range of devices, including motors, valves, and sensors. They offer flexibility and can be easily reconfigured to meet changing application requirements.

By understanding the function of each of these components, you can better grasp how forward reverse motor control systems are designed and implemented. Each component plays a critical role in ensuring the safe, reliable, and efficient operation of the motor.

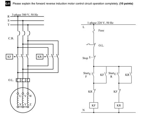
Wiring and Control Schematics Explained

Okay, let’s dive into the heart of forward reverse motor control : the wiring and control schematics. Understanding these diagrams is crucial for troubleshooting, maintenance, and even building your own control circuits. Don’t worry, we’ll break it down step by step!

Control schematics , often called ladder diagrams, are like the blueprints for your motor control system. They use symbols to represent components like contactors, relays, switches, and timers, and lines to show the electrical connections between them. These diagrams illustrate the sequence of operations and how the different components interact to achieve forward reverse motor control .

The basic principle behind a ladder diagram is that power flows from one vertical rail (the “hot” side) to the other (the “neutral” side) through a series of horizontal “rungs.” Each rung represents a control circuit, and the components on that rung determine whether or not power can flow through it. For example, a rung might contain a start button, a stop button, and a relay coil. When the start button is pressed, and the stop button is not pressed, power flows through the rung and energizes the relay coil, which in turn activates the relay contacts.

In a forward reverse motor control schematic, you’ll typically see two main control circuits: one for forward motion and one for reverse motion. Each circuit includes a contactor coil, overload relay contacts, and interlocking contacts from the other contactor. The interlocking contacts are essential for preventing both contactors from being energized simultaneously, which, as we discussed earlier, would cause a short circuit.

The wiring of the power circuit is also crucial. For a three-phase AC motor, the forward direction is usually achieved by connecting the three phases of the power supply directly to the motor terminals. To reverse the motor’s direction, you simply swap any two of the three phases. This is typically done by the forward and reverse contactors. When the forward contactor is energized, it connects the phases in the correct sequence for forward motion. When the reverse contactor is energized, it swaps two of the phases, causing the motor to rotate in the opposite direction.

Safety is paramount when working with motor control circuits. Always ensure that the power is disconnected before working on any wiring. Use proper personal protective equipment (PPE), such as safety glasses and insulated gloves. Double-check your wiring against the schematic to ensure that everything is connected correctly. And if you’re not comfortable working with electrical circuits, it’s always best to consult with a qualified electrician.

By carefully studying the control and power schematics, you can gain a deep understanding of how the forward reverse motor control system works. This knowledge will enable you to troubleshoot problems, perform maintenance, and even modify the system to meet your specific needs. Remember to always prioritize safety and follow best practices when working with electrical circuits.

Real-World Applications of Forward Reverse Motor Control

So, where do we actually see forward reverse motor control in action? You’d be surprised how many everyday devices and industrial processes rely on this technology. Let’s explore some real-world applications to give you a better appreciation for its importance.

  • Conveyor Belts: One of the most common applications is in conveyor belt systems. These belts often need to move materials in both directions, whether it’s for sorting, packaging, or transporting goods. Forward reverse motor control allows operators to easily switch the belt’s direction as needed.

  • Garage Door Openers: Think about your garage door. It goes up (forward) and down (reverse), all thanks to a motor controlled with a forward reverse circuit . The system also uses limit switches to stop the motor when the door reaches its fully open or fully closed position.

  • Electric Winches: Winches used in vehicles, boats, and construction sites rely on forward reverse motor control to wind and unwind cables. This allows for lifting and pulling heavy objects with precision.

  • Machine Tools: Many machine tools, such as lathes and milling machines, use motors with forward reverse control for various operations like threading, tapping, and positioning the workpiece.

  • Robotics: Robotic arms and other automated systems often require precise movements in multiple directions. Forward reverse motor control , combined with sophisticated control algorithms, enables robots to perform complex tasks with accuracy and efficiency.

  • Rolling Mills: In the metalworking industry, rolling mills use large motors with forward reverse control to shape metal sheets and bars. The ability to reverse the rolling direction is crucial for achieving the desired dimensions and surface finish.

  • Textile Machinery: Textile machines, such as looms and spinning machines, often use motors with forward reverse control to precisely control the movement of threads and fabrics.

  • Elevators and Lifts: Elevators and lifts use sophisticated motor control systems to ensure smooth and safe vertical transportation. Forward reverse motor control , along with advanced braking mechanisms, is essential for controlling the elevator’s movement and stopping it accurately at each floor.

  • Industrial Automation: In general, forward reverse motor control is a fundamental building block of industrial automation systems. It enables machines to perform a wide range of tasks with precision and efficiency, contributing to increased productivity and reduced costs.

As you can see, forward reverse motor control is a versatile technology with applications in virtually every industry. From simple devices like garage door openers to complex systems like robotic arms, this control method plays a vital role in enabling machines to perform their intended functions. Understanding its principles and components is essential for anyone working in electrical engineering, automation, or related fields.

Troubleshooting Common Issues

No system is perfect, and forward reverse motor control systems can sometimes run into problems. Let’s go over some common issues and how to troubleshoot them, so you can keep things running smoothly.

  • Motor Doesn’t Start in Either Direction: If the motor refuses to budge in either forward or reverse, the first thing to check is the power supply. Make sure that the circuit breaker is not tripped and that the voltage at the motor terminals is correct. Also, check the overload relay. If it has tripped, reset it. If the problem persists, investigate the motor itself for potential winding failures or bearing issues.

  • Motor Starts in One Direction But Not the Other: This usually indicates a problem with one of the contactors or its associated control circuit. Use a multimeter to check the contactor coils for continuity. If a coil is open, the contactor needs to be replaced. Also, check the wiring and connections in the control circuit for loose or broken wires.

  • Motor Runs But Overload Relay Trips: This suggests that the motor is drawing excessive current. This could be due to an overloaded condition, a faulty motor, or incorrect overload relay settings. Check the motor’s nameplate current and compare it to the overload relay setting. If the setting is too low, adjust it accordingly. If the problem persists, investigate the motor for potential winding shorts or mechanical issues.

  • Motor Reverses Direction Unexpectedly: This is a dangerous situation and usually indicates a problem with the interlocking circuit. Make sure that the interlocking contacts on the forward and reverse contactors are functioning correctly. If one of the contacts is stuck or not making proper contact, it could allow both contactors to be energized simultaneously, causing a short circuit and an unexpected reversal.

  • Motor Starts and Stops Erratically: This could be due to a loose connection in the control circuit, a faulty switch, or a malfunctioning timer. Carefully inspect all wiring and connections for looseness or corrosion. Replace any suspect switches or timers.

  • Excessive Noise or Vibration: This could indicate a problem with the motor’s bearings, shaft alignment, or mechanical load. Inspect the motor for any signs of damage or wear. Check the alignment of the motor and the driven equipment. Lubricate the bearings as needed.

  • Control Circuit Fails to Operate: This could be due to a blown fuse, a tripped circuit breaker, or a faulty power supply. Check the fuses and circuit breakers in the control circuit. Verify that the control transformer is providing the correct voltage. Use a multimeter to trace the voltage through the control circuit to identify any open circuits or short circuits.

When troubleshooting forward reverse motor control systems, it’s essential to have a good understanding of the control and power schematics. Use a multimeter and other diagnostic tools to systematically check the components and wiring. Always prioritize safety and disconnect the power before working on any electrical circuits.

By following these troubleshooting tips, you can quickly identify and resolve common issues with forward reverse motor control systems, minimizing downtime and ensuring the safe and reliable operation of your equipment.

Conclusion: Mastering Forward Reverse Motor Control

Alright, we’ve covered a lot of ground in this guide to forward reverse motor control . From the fundamental principles to the essential components, wiring diagrams, real-world applications, and troubleshooting tips, you now have a solid understanding of this important technology. Whether you’re an electrical engineer, a maintenance technician, or simply a curious DIYer, this knowledge will serve you well.

Forward reverse motor control is a cornerstone of modern automation and industrial processes. It enables machines to perform a wide range of tasks with precision and efficiency, from moving materials on conveyor belts to controlling the movement of robotic arms. By mastering the principles and techniques discussed in this guide, you can design, build, and maintain effective control systems for a variety of applications.

Remember, safety is always paramount when working with electrical circuits. Always disconnect the power before working on any wiring. Use proper personal protective equipment (PPE) and follow best practices for electrical safety.

With a solid understanding of forward reverse motor control , you’ll be well-equipped to tackle a wide range of challenges in the world of electrical engineering and automation. So go out there, experiment, and put your newfound knowledge to the test. The possibilities are endless!